Friday, November 19, 2010
Controlled Area Network Board



2.2-1.5= 0.7 Volts when communicating and 2.2 Volts when not switched.
Can high means that the base voltage (2.2 Volts) is being pulled up from the base voltage when the system is communicating ... The base voltage is being pulled up by 1.5 Volts.
2.2+1.5= 3.7 Volts when communicating and 2.2 Volts when not switched.
These two are mirror images of each other and is used to double check each message and to make sure there are no wrong messages is transmitted and to identify if there are any faults within the Can system.







Both voltage regulators are similar to the voltage regulator we made in TTEC4824 they change the voltage from 12 volt supply to 5 volts
For the voltage regulator U1 it is connected to pin 1 (MCRL/VPP) , pin 20 on the positive of the IC chip 18F258 then to LED 1 , then Pin 3 of VCC of the IC4 UC5350N to Pin 15 VSS and Pin 6 is negative which is the ground for IC 3 MAx 232.
Electronic transmissions and scan tools
Using the workshop manual we can identify all of the sensors and actuators related to the Power train control module.
Below is a picture of the wiring diagram of a power train control module and their related sensors and actuators.


-Shift solenoid 1-2 and 2-3 are on when the vehicle is shifted into drive & starts out in first gear.
.
Using a scan tool

ABS wheel speed sensors


By looking at the above pattern we can easily tell that this sensor is an analogue sensor as the output voltage goes positive and negative voltage where digital voltage is normally just positive . By using the frequency scale on a multi-meter we can also note the frequency which is 210 Hz
Each cycle or frequency or revolution is close to 5 mili seconds = 0.0005 seconds.
1 / frequency = time ,so 1 / Time = frequency , 1 / 0.0005 = 200 Hz
On car exercises
Wheel speed sensor Can be found on each wheel and depending on their types and manufacture can be found on different part of the wheel assembly. There are different types ... Inductive , Magnetic, hall effect , optical , magnito resistor ...
ABS control unit can also be found in different positions depending on the manufature .
ABS modulator can be found under the bonnet around the engine or in some cases under the vehicle and at the back arches.
ABS pump motor can be found next to the ABS modulator .
Parking brake switch can be found located on the parking brake lever and is located various parts depending on the type of lever used .
Brake master cylinder is located on the firewall and normally on the driver side and infront of the brake booseter.

Brake fluid level switch is normally located on the lid of the reservoir and alerts the driver with a warning dash light when the fluid is low .

RPM sensor is also different in types and located in various part of the engine ... the picture below shows an inductive type of RPM sensor.
On vehicle testing:
This is very important to follow these steps ...
The following steps are to be taken when lowering the vehicle for safty and not damaging the vehicle ...
ABS pump relay waveform
When the failsafe is switched the ground side of the warning light gets a 12 volt supply voltage which in fact turns of the light as there is no flow of current thru the light. The fail safe ground is on pin 2J which shows this relay is earth triggered so if there is any problems with any of the components or circuit ... the ABS control module doesnt trigger the failsafe relay and the ABS warning light on the dash would stay on ! this will tell the driver that the ABS has found a fault and is not working , also if there is no issues it will be turned off and tell the driver that the ABS is working .

This is the Right rear solenoid pin 1A which has been actuated to either close the inlet valve so the pressure on the wheel slowing down is not increasing so it can match the other wheels or open the outlet valve to release pressure so the wheel wouldn't lock up .

ABS Relays

Channel 1 is the control circuit , and channel 2 is the switching circuit.
This is when the ABS relay does the self check.
At point A is when switching circuit is turned on from 0 Volts to 12 volts .this is because the control circuit has been grounded so it can create a magnetic field to attract the circuit 2 to be turned on .
Point C the control circuit has collapsed on itself and we can see the voltage spike . Point B is where the switch is open and switching circuit now open ..
Point E and D is when the pump has been turned on and then off and we can see the oscilations .
ABS Demonstrators
Left front ..... ECU pin # 2O and 2P
Left rear ...... ECU pin # 2R and 2Q
right front ... ECU pin # 2N and 2M
Right rear ... ECU pin # 2S and 2T
By looking at the wiring diagram we can idenitfy the INDUCTIVE wheel speed sensors.
Because Hall effect or optical types use 3 wires but inductive or magnetic type use only 2 .
As the teeth approaches the sensor due to the magnetic field being crossed gets more opposite and is at the maximum when the teeth is at the closest point to the sensor ... as the teeth starts moving away from the sensor the magnetic field that crosses the sensor slowly disappears and the voltage becomes more negative until the magnetic field is so far that dosnt effect the sesnor at all ...as the speed of the ring teeth increases so does the voltage and frequency, this repeats as the next teeth approaches and the cycle continues. this kind of sensor creates AC waveform .
optical and hall effect type create a digital signal . some magnito resistor sensors can also create a digital signal.
We were using TDS1002 techtonic oscilloscope for the next excercise .
Front Left.
Front Right.
Rear left.

Rear right.

All the waveforms are not exactly the same due to the difference of the gap between each ring tooth and sensors on each wheel and because they all have different gaps.
These are the wheel speed sensor spinning and their measured AC Voltage with a multi-meter .
Left front: 5.46 Volts
Left rear: 4.21 Volts
Right front: 7.4 Volts
Right rear: 6.23 Volts
A multimeter is not as an accurate tool for finding problems on a wheel speed sensors . An oscilloscope is a very good tool for this task . A multimeter can not show us what exactly is happening to the live data we getting and can only give us the calculated root mean square RMS and unfortunatly can not show us what actualy is going on ... different voltages from different wheel sensors but at the same speed can also be caused by different gap sizes between tooth ring and sensors, magnetic dust on the sensor e.g. from driving on sand or wrong size wheels can also effect the voltage as a bigger wheel would rotate slower ...
Wiring diagram practice
Front Right speed sensor wires as we can see above are Black and white .Front left speed sensor wires are Red and Green.

A little bit confusing by looking at the above diagram because there is a printing mistake which is quiet common . I have also pointed this out by arrows in the photo under ... it is quiet easy to figure out though because the wire labels are for Rear of the car and they have label the sensors incorrectly .
Rear right speed sensor wire colours are brown and yellow.
Rear left speed sensor wire colours are pink and blue

ABS speed sensor wires are braided to stop any interference with the sensor signal .
There are 4 different types of fuses are used in a ABS circuit...
Fuseable links 3.0 watts
50 Amps Main ABS fuse
20 Amps Dome
15 Amps Stop
15 Amps ECU
10 Amps Gauge
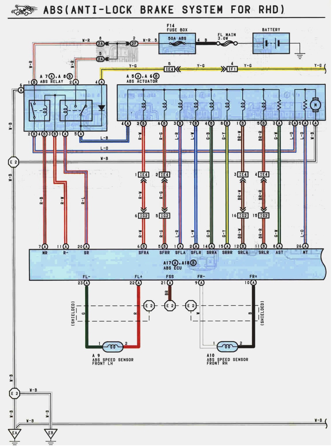
B7 and B10 are ABS ECU ground wires .
26 L0 is the motor wire.
On the wiring diagram for the ABS actuators , there are solenoids which control each wheel cylinder .
Front right wheel solenoid wire colour : Red-White pin number : 6 APPLY
: Red-Green : 5 RELEASE
Front left wheel solenoid wire colour : Blue-Red pin number : 1 APPLY
: Blue-White : 2 RELEASE
Rear right wheel solenoid wire colour : Green-Black pin number : 14 APPLY
: Green-Yellow : 15 RELEASE
Rear left wheel solenoid wire colour : Brown-White pin number : 12 APPLY
: Brown-Red :11 RELEASE
Using the picture above as a guide we can give the following statements :the correct conditions of the inlet and outlet solenoids valves under normal braking are ...
Inlet valve open , Outlet valve closed
The correct conditions of the inlet and outlet valves when the ABS is operating to reduce wheel brake pressure are ...
Inlet valve closed , outlet valve open
The correct conditions of the inlet and outlet valves when the ABS is operating to hold brake pressure are ...
Inlet valve closed , outlet valve closed
The correct conditions of the inlet and outlet valves when the ABS is operating to increase wheel brake pressure are ...
Inlet valve open , outlet valve closed
In the Four cases above the ABS motor and pump is working when the ABS is actuated .

On the graph above I draw a digital signal that switches 5 Volts every 2 seconds .
On the graph above I draw an analogue signal with a frquency of 0.5 Hz and a maximum of +3 volts .







